Differential Pair Audio AGC Circuit

This circuit has not been built, only simulated.

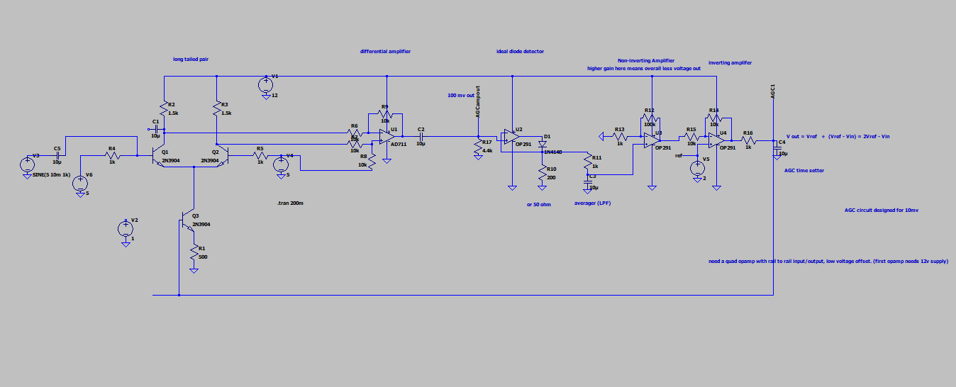
I designed a AGC circuit based on the idea of controlling gain with a long tailed differential pair. Changing the amount of current flowing in the bottom (tail) transistor changes the transconductance of the transistors and hence changes gain. The differential output from the long tailed pair is converted to a single ended output with a differential amplifier.

The AGC feedback is implemented by taking the output and rectifying it with an ideal diode circuit, then averaging it with a LPF to find the signal level of the output. This small DC voltage is amplified by a non inverting amplifier with a gain of 100. It is then fed into an inverting amplifier which also adds a set DC value to the output. The output of this is used to control the current flowing in the bottom transistor of the differential amplifier. This last amplifier is inverting so that large voltages at the audio output will reduce the voltage fed to the tail transistor of the differential amplifier, hence lowering the gain, and vice versa.

Circuit Schematic

This circuit works in simulation. The output level of the circuit is determined by the gain of the non-inverting amplifier stage (more gain there = lower output) You can download the LTSpice schematic here and try for yourself. I built this circuit up on a piece of copper clad board, but then I remembered I don’t have any rail-to-rail input-output opamps, which are neccesary for this circuit to work. I will have to order one of those before I can actually test it.