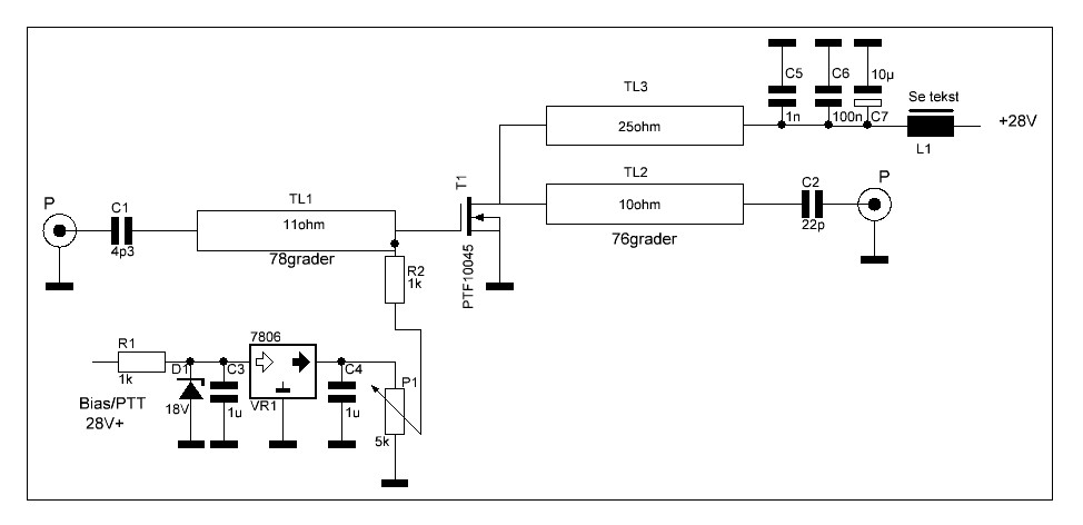
PA 1,2 GHz - 30w  (PTF10045)
Aquí encontrará la información esencial para la reproducción del PA de 23 cm / 30 W.
La placa de circuito impreso (PCB) es FR4 de 0,5 mm y el único componente crítico es C2, tipo ATC y de al menos 100 V.