Interfaces USB para Digimodos

Control PTT por puerto USB

USB interfaces for Digimodes

Página en Construcción


             El avance tecnológico y los cambios en el área informática en ocasiones trae aparejados algunos problemas en la adaptación de los sistemas y programas en uso.  En lo que a los radioaficionados respecta, la necesidad de controlar equipos requiere y ha adoptado los puertos seriales y en algunos casos los paralelos para ello, pero las actuales PC de escritorio proveen solo un puerto serial, cuando hace unos años se disponía incluso de varios, en formato DB9 y DB25 y las notebooks y netbooks ya han descartado esos puertos en casi todas sus configuraciones.   

 

Contrapuesto a esa tendencia, el uso de Notebooks y Netbooks sobre todo en salidas de campo o Field Days se ha hecho casi universal, y su único puerto disponible es el USB, al que debemos adaptarnos para casi todas las funciones de comandos e intercambio de datos con el equipo de radio.

             En esta nota, se explica como aprovechar algunas de las nuevas tecnologías disponibles y los puertos USB con los clásicos programas de digimodos.


PTT vía puertos USB

           Las interfaces para digimodos requieren, además de las salidas y entradas de audio, la señal que ponga el equipo en transmisión o recepción según corresponda, y para esto, los programas de digimodos han adoptado casi universalmente las señales DTR y RST del puerto serial. 

            Para muchas aplicaciones es posible usar adaptadores USB- RS232, que crean un puerto serial virtual en la PC y proveen una ficha DB9 para conectar las interfaces.

            Con estos adaptadores es posible utilizar muchas de las interfases para puerto serial, no sin algún inconveniente, proveniente del software (el puerto creado es por lo general de un número alto y no todos los programas preveen eso), los drivers (no siempre disponibles para algunos sistemas operativos) y también de la interferencia de RF que ante el pobre blindaje, provoca fallos o el frizzado de la computadora.

             Aún con los inconveniente mencionados, la opción del adaptador es aceptable y quizá la única para sistemas de control y transferencia de datos, como en los CAT u otros similares.

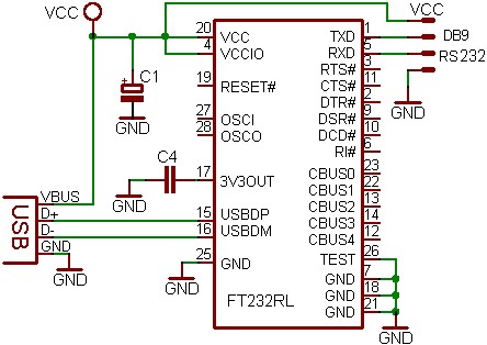
              Los adaptadores pueden armarse, ya que los integrados específicos se consiguen, al igual que la documentación de circuitos y los drivers; sin embargo, el costo del integrado, por ejemplo un FT232RL, suele superar a los adaptadores comerciales terminados; hay que sumar el costo de las fichas USB y DB9, la plaqueta de montaje, y algo importante a tenerse en cuenta: el integrado de 28 pines mide 8 x 10 mm, y la separación entre pines es de solo 3 décimas de milímetro, lo cual hace más complicada la plaqueta de montaje y la soldadura.

              Para quienes estén interesados, los circuitos están disponibles en la hoja de datos del integrado; la imagen es uno de los mas simples.

 

Datasheet y drivers del FT232R

  FT232R.zip
  DS_FT232R.pdf FT232R_Setup.exe

             La opción comercial, resuelve toda la complejidad de la realización del circuito, y asegura una terminación estética impecable. Se pueden conseguir adapatadores con o sin cable, y de éstos últimos, con largos de 10 a 50 cm.; opciones que pueden resultar importantes de acuerdo con la ubicación del puerto USB en la máquina, la distancia al equipo de radio, etc.

              Estos adaptadores también requieren de sus respectivos Drivers, por lo que es importante asegurarse que los mismos sean soportados por el sistema operativo utilizado.

              Algunos adaptadores solo preveen la comunicación unidireccional, por lo que no son aptos para emplearlos en reemplazo del puerto serial para CAT u otras aplicaciones que requieren la bidireccionalidad de envío de datos, pero para su uso en los porgramas digimodos esto no influye, por lo que cualquier adaptador funcionará. 

 


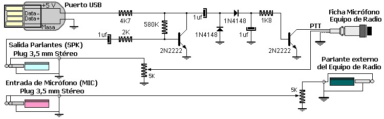
PTT por VOX alimentado desde puerto USB

            Ya se mencionó en la nota de Interfases Digitales la posibilidad de accionar el PTT utilizando la función VOX del propio equipo de radio, e incluso se incluyó un circuito VOX para aquellos que no la tengan disponible. En el caso de circuitos sin alimentación externa, para provocar el disparo del circuito, es necesario un nivel de audio considerable al que algunas placas de sonido no alcanzan. Por otro lado, los circuitos más elaborados, con alimentación externa, solucionan el problema del accionamiento con bajos niveles de audio, pero complican el cableado y las conexiones.

             La solución mas aceptable para alimentar un VOX es tomar tensión del puerto USB, donde están disponibles + 5 Volts y el cableado se reduce a una ficha más, que habitualmente se encuentra cerca de las salidas de audio.


Circuito típico de una Placa de Sonido USB

             Al igual que con los adaptadores RS232, las placas de sonido USB pueden ser construídas de forma amateur, pero al igual que aquellas, los integrados específicos también son de montaje superficial y de muy reducido tamaño. Aún así se pueden encontrar en Internet varios diseños de PCB de placas de sonido USB que facilitan la construcción de la mismas.

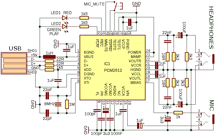
             Uno de los integrados más usados es el PCM2912 de Texas Instruments. Se incluye aquí la hoja de datos y un circuito típico del códec.

 

PCM2912.pdf


               De las placas comerciales, existen varios formatos, con mas o menos las mismas prestaciones, pero para el uso como accesorio de digimodos, las que vienen provistas con un pequeño cable son preferibles a las que incluyen el conector de USB en el mismo cuerpo, dado que hay que abrir y conectar cableado y agregar el circuito VOX, lo que impone reemplazar el encapsulado por un gabinete algo mas grande.


PTT por Placa de Sonido USB

             La aparición de placas de sonido USB ha facilitado la realización de interfaces muy compactas, con un mímimo cableado e incluso económicas. La estrategia es utilizar estas placas en reemplazo de la placa de sonido de la PC o Notebook, y tomar del propio conector USB la alimentación necesaria para accionar un sensible circuito VOX, resumiendo así toda conexión a la PC a solo un conector.       


            La interfase descripta anteriormente es simple y muy compacta; como se puede observar en las fotos del prototipo, que se luego de las primeras pruebas se alojó en un envase de rollo de película fotográfica.

 

 

Testigos de TX & RX

             Además del atractivo estético, no se puede negar la utilidad de tener una indicación visual del estado y funcionamiento de la interfase. Generalmente, las placas de sonido USB ya incorporan un LED que muestra la presencia de alimentación y su actividad con parpadeos. Para mostrar el estado del VOX, en la forma más usual, con un led verde para indicar recepción y uno rojo para la transmisión, hace falta agregar algunos componentes adicionales al circuito, fundamentalmente para independizar la función de encender los LEDs de la principal, que refiere a controlar el PTT del equipo.

              A continuación, los circuitos de dos variantes probadas

             El primer paso es acceder al circuito de la tarjeta de sonido, abriendo el encapsulado. Por lo general no resulta difícil, pero si llegara a complicarse no hay que hacerse mucho problema, porque se puede romper mientras no se dañe el interior, ya que sólo se necesita el circuito y el cable.

              A continuación debe prepararse el nuevo gabinete, donde se incluirán las placas de sonido USB y el VOX, mas cualquier otro accesorio previsto; en este caso solo se agregarán una bornera y los LEDs indicadores de estado.

              De acuerdo a cómo se prefiera realizar, es posible que haya que desoldar el chicote de la ficha USB u otras, para pasar el cable por el orificio, o bien se pueden preveer ranuras si se quiere evitar dicha maniobra.

Una vez insertado el chicote con la ficha USB, se deben volver a soldar los cables a la placa y los de conexión al circuito VOX

               Se preparan las perforaciones para los LEDs, se colocan los mismos y sueldan a los chicotes previstos.

                En esta interface hice la  prueba de cablear los pines habitualmente usados en la ficha de 8 pines para poder cambiar la disposición de los mismos de acuerdo al equipo utilizado. Para facilitar el cambio también se incluyó una bornera donde se conectan los cables provenientes del VOX y la placa de sonido.



La operación con circuitos VOX

            En la operación de modos digitales por medio de un circuito VOX, ya sea externo o incluido en el equipo de radio, debe tenerse en cuenta la diferencias de

            Los circuitos VOX realizan el cambio de recepción a transmisión solo cuando detectan sonido. En algunos modos digitales que incluyen periodos de silencio, como en Hellschreiber por ejemplo, es posible que el VOX cambie a recepción en dichos períodos. Esto puede solucionarse ajustando los parámetros del VOX que tienen los equipos, o bien aumentar la capacidad del capacitor de base del transistor final en los circuitos externos.

            Cualquier sonido detectado por el VOX hará que el equipo cambie a transmisión y cuando se conecta a la salida de la placa de sonido, no importa si es al audio del digimodo, un mensaje de actualización del antivirus, música o el sonido de algún evento del sistema operativo, por lo cual, debe prestar atención a esas notificaciones o avisos sonoros, ya que de presentarse pondrán el equipo en transmisión y dependiendo del modo, podrá incluso emitir dicho mensaje, música o sonido, lo cual es operativamente una falta.

             Al utilizar el VOX, no influye la configuración del PTT en el programa de digimodos, ya que la idea es justamente evitar el uso de los puertos serie o paralelo; aún así, debe recordar que la operación es prácticamente la misma, y deberá accionar los comandos de TX y RX (o incorporarlos a las macros) tal como lo haría utilizando los mencionados puertos. En la mayoría de los digimodos, la orden de TX inicia la emisión de un tono sin modulación y eso es suficiente para activar el VOX.

            La activación del VOX ante un sonido es casi instantánea; no obstante, para los modos digitales, la transferencia de datos es a muy altas velocidades y es posible que la breve demora en activar el transmisor produzca la pérdida de los primeros datos del mensaje o trama.  Este detalle se soluciona fácilmente, agregando un par de espacios antes del mensaje o directamente incorporándolos a cada una de las macros usadas, o dando la orden de transmitir y haciendo una breve pausa antes de comenzar a escribir. 


 

 

www.lu9dpd.com.ar

[email protected]