Central States VHF Society 1983 Conference
Overland Park, Kansas


WA5IYX Presentation - July 30

(click on image for larger version)

WA5IYX 144-MHz paths 06-25-1983 1745-1845 CST WA5IYX 144-MHz paths 06-25-1983 1845-1945 CST WA5IYX 144-MHz paths 06-25-1983 1945-2030 CST
144-MHz Es              144-MHz Es              144-MHz Es
June 25: 1745-1845 CST  June 25: 1845-1945 CST  June 25: 1945-2030 CST

It had been thought that the details of the "Field Day" evening 2-m Es event would be the dominant feature of my presentation. However, a near-equally intense 144-MHz Es opening occurred July 24! (Too close to the Conference to prepare any similar in-depth analysis.)
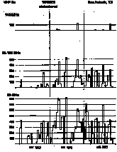
WA5IYX 144  88-108  50-MHz daily Es May-Jul 1983 Daily minutes for 144, 88-108, and 50-MHz Es May-Jul 1983
Note that most, but not all, of the 144-MHz events occurred during the days with the highest amount of 88-108 MHz Es. For a stack-plot graph of this data.