ARARINHA 6 com 5 bandas - with 5 bands - 160m to 20m
=====Last up date 29/oct/2013 2nd ======
Este é um dos mais dificeis projetos para montagem, é necessario ter muita experiencia em RF.
This is one the most dificult project to build, you need a good expertise in RF building.
Tenha paciencia, pois não é fácil acertar tudo, quando estiver tudo OK explicarei a montagem, calculos e ajustes.
Be patient, because is not easy to let all done, when it hapens I will post how to build, calculate and adjust !
Ararinha6
Este projeto é a soma de tudo que aprendemos até aqui, gostaria de agradecer a ajuda e o incentivo de muitos colegas radioamadores do Brasil e do exterior.
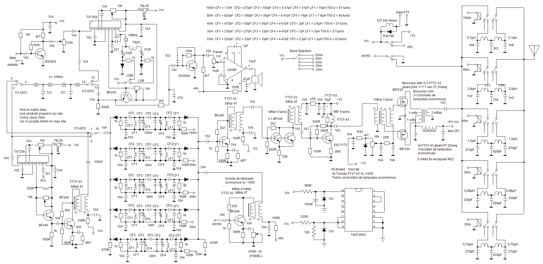
O circuito final:
Descrição de funcionamento
O projeto basico foi baseado no ARARINHA e tambem na versão 4 no software do DDS do colega VU3CNS. O software controla a frequencia do audio e tambem chaveia os filtros de banda passante (BPF) e de passa baixas (LPF).
Receptor
O sinal chega da antena e passa pelo filtro passa baixas (LPF), segue para um amplificador de RF que tem seu ganho ajustado pelo potenciometro, no painel, ainda este amplificador tem automaticamente seu ganho controlado automaticamente pelo AGC (em função do nivel do sinal). Depois o sinal segue para o fltro passa banda (BPF), os filtros LPF e BPF são comutados automaticamente em função da frequencia do DDS. O sinal segue então para o misturador TA7358 (LA1185) onde é amplificado e misturado ao sinal do DDS, na saida do misturador temos a frequencia intermediaria (IF ou FI) que é de 10MHz. Para 160, 80 e 40m o sinal do DDS é da frequencia desejada menos 10MHz, já em 30 e 20m o sinal do DDS é somado ao sinal de FI. A saida de sinal de FI é amplificada por um Buffer e entregue ao filtro ladder que é estreito o suficiente para deixar passar apenas um lateral do sinal ou USB ou LSB. apos o filtroo ladder o sinal entra no segundo mixer com outro TA7358 que amplifica o sinal de 10MHz e mistura com o sinal do oscilador de frequencia de batimento (BFO) resultando no audio que é apmlificado pelo pré amplificador e amplificador final de audio. O AGC tem o sinal retiardo do pré amplificador de audio e é amplificado e detetado (dobrado) gerando um sinal de corrente continua que atua em um transistor no amplificador de RF do RX, assim quanto amior a intensidade do audio do sinal, maior será a voltagem gerada e diminuirá o ganho do amplificador de RF. Outro circuito que atua com o sinal do pre amplificador de audio é do Smeter, que tem um circuito dedicado LB1403N que atua 5 leds indicando a intensidade do sinal recebido.
Em transmissão :
A transmissão se inicia em um microfone de eletreto ligado a entrada de microfone, junto ao microfone temos a chave PTT (aperte para falar ou push to talk ptt) o sinal de microfone passa por um amplificador de audio e vai ao cicuito do misturador com BFO onde é gerado um sinal DSB em 10MHz, este sinal passa então pelo filtro ladder onde é retirada uma lateral e segue para o segundo misturador onde o sinal é misturado com sinal do DDS e na forma contraria a do RX agora se forma o sinal desejado (aqui o sinal é impuro com muitas outras frequencias) o sinal é amplificado e passa pelo filtro BPF que elimina outros sinai e deixa passar somente o sinal desejado. dai segue para o amplificador de RF em varios estagios e finalmente entra em um circuito de potencia em push pull de potencia e finalmente o sinal passa pelo filtro passa baixas (LPF) e vai para a antena. Parte deste sinal é desviado para um circuito detetor que encaminha a o sinal de corrente continua para o LB1403N que indica apotencia relativa de saida e modulação.
Chaveamento :
O chaveamento principal é com um rele de dois polos e duas posições, que faz a comutação de tensão RX / TX e habilita a entrada de RF no amplificador de RX. O Chaveamento de faixas ou bandas é feito por um PIC, controlado pelo PIC do DDS, que comuta via diodos os filtros passa banda e tambem, via rele, os filtros passa baixa (LPF). A comutação de banda lateral e CW é feita por diodos aticvados eplo mesmo PIC. Outro chaveamento importante de RX/TX é feito pelo integrado 74HC4053 que faz a função de um rele de tres polos duas posições.
CW:
Em recepção e transmissão o CW tem o mesmo tratamento do sinal LSB, a não ser que o DDS tenha sido programado para alterar o sinal em RX. Já em transmissão ao apertar a chave de CW atuamos um circuito oscilador tipo BFO que gera um sinal de 10MHz este sinal é misturado nomisturador TA7358 (onde temos o DDS) e um sinal continuo da frequencia desejada é transmitido seguindo os mesmos passos do item transmissão. Ainda a chave de CW atua em um circuito retardador de desligamento do rele RX/TX de tal forma dque orele não fique repicando ao atuar a chave de CW.
DDS:
O DDS é ajustado para offset 10MHz e frequencia minima -10MHz. Desta forma indicará as frequencias de transmissão e recepção adequadamente. Eu usei o DDS montado com AD9851, mas montado com o AD9850 o DDS tera as mesmas funções requeridas.
Montagem:
A montagem requer bastante cuidado, principalmente em blindagens de cabos. Os cuidados normais com qualquer montagem de RF devem ser obedecidos.
O Filtro de passagem de faixa (BPF) pode ser feito com toroides Amidon ou transformadores Toko e o desenho pode ser alterado como no Carcará multibandas. Aqui fizemos filtros com derivação capacitiva, mas igualmente com derivação indutiva com ou sem secundario os resultados são otimos. Informações de alterações nos filtros (BPF ou LPF) podem ser obtidas no CARCARÁ MULTIBANDAS
Filtro passa baixas existem varios projetos para este filtro os valores podem ser alterados conforme as tabelas existentes no Carcara multibandas (link acima). Eu usei capacitores com mais de 500V de isolação e preferi montar minas proprias bobinas, o uso de torides é bem mais pratico.
Eu montei meu DDS externamente por aproveita-lo em outros projetos, mas o colega Reji Mon da India desenvolveu uma placa PCB que serve como painel, o layout em format PCB ou em PDF pode ser obtido nesta pagina, o Reji Mon confeccionou a placa dele pelo metodo tradicional com o uso do ferro-de-passar roupas.
Arquivos do colega indiano Rejimon G (VU2RGQ) placa frontal do ararinha 6 DDS
Fotos da montagem DDS painel do colega indiano Rejimon


Minha intenção inicial era testar varios tipos de modulos, montei muitos deles e testei alguns:
O amplificador de audio LM386 foi alterado para LM380 com mais potencia e depois alterado para TDA2003 com maior potencia ainda, os resultados foram muito bons.Colocarei o esquema com valores dos componetes para quem quizer aumentar a potencia de audio.
Testamos dois circuitos de compressor e não colocamos nenhum deles por necessitarem de ajustes com reportagens e esta dificil de fazer QSO em 40m, pois somente tem rodadas por lá. Outro circuito testado foi um VOX que funcionou muito bem mas eu particularmente não gosto de VOX.
Outra montagem não testada foi a substituição do chaveamento com 74HC4053 por diodos 1N4148, montei mas não testei.
O teste com Smeter e medidor de potencia relativa analogico foi testado e com sucesso, mas optamos pelo digital pela facilidade e praticidade ao montar.
A adaptação do ararinha6 para operar SDR será feita em um modulo externo, pois servira a outros transceptores com FI de 10MHz (BINGO e BITX).
Os esquemas a seguir são referencia de montagem e úteis para os montadores e fica ai a disposição...
Fim da descrição do ARARNHA6
py2ohh miguel
Drawing update 09/sep/2013 - added a new buffer in tx
I am using the DDS like VFO
Below ARARINHA6V3 - with CD4017 to switch bands
Another
version of ARARINHA6V3
Now the bands switching is automatic from DDS frequency selection
Update include automatic LSB/CW or USB from DDS selection
Adding AGC
Adding AGC and Smeter
Adding AGC, Smeter and power meter
Adding a simple Smeter and Power meter
73 de py2ohh miguel