PLL SAA1057 / PIC16F84 from 500kHz to 30MHz
Foto : PLL montado, saida tomada DIN terminação jack banana estereo, mouse de 3 botões para controle remoto (por fio).
Este circuito está descrito no site www.freddospage.nl, onde o software tambem pode ser obtido.
Apesar do PLL SAA1057 estar descontinuado, é possível encontra-lo a preços baixos no mercado brasileiro (R$3,50 = US$1,50).
Nós fizemos a montagem em metodo UGLY, com pequenas modificações.
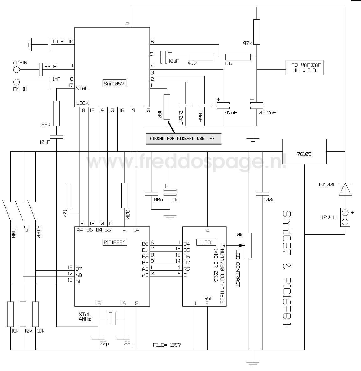
Esquema original (adicionados 3 capacitores de 100nF):
A única modificação foi a adição de tres capacitores de 100nF.
Esta modificação foi necessária pois utilizamos um mouse de tres botões para a função de STEP, UP e DOWN, assim o controle ficou à mão. E devido ao comprimento do cabo foi necessário desacoplar a RF.
A alimentação provem do Oscilador a ser controlado.
Foto : PLL aberto, o uso de flat cable facilita as interconexões, a montagem feita em placa padrão.
O sinal de RF para controle de frequencia, a tensão de controle de frequencia para os varicaps bem como a alimentação foram conectadas via uma unica tomada DIN de 5 pinos. Posteriormente normalizamos nossas interconexões com tomadas mini banana estereo (P2) e são necessárias duas tomadas, uma para VCC e sinal de RF e outra para tensão de referencia para o varicap.
Foto : Segunda montagem do PLL em placa padrão com o LCD conectado diretamente (montagem monobloco).
Foto: vista da interconexão da placa padrão com o LCD (mini 2 colunas x 8 linhas)
O maior inconveniente deste PLL é o de não possuir offset, mostrando a frequencia controlada em kHz. Outro problema é o tamanho do step de 1kHz que não permite um ajuste fino em CW ou modos digitais.
A facilidade de montagem, o baixo custo e o desempenho são excelentes.
Foto Oscilador a ressonador ceramico de 12MHz, variando de 11 a 11,5MHz para cobertura de 15m com FI de 10MHz (BITX15 e ARARINHA). Note o tamanho . A tomada DIN de conexão ao PLL foi abandonada e trocamos a conexão por duas tomadas banana, que facilita a furação.
73 de py2ohh miguel
PLL SAA1057 / PIC16F84 from 500kHz to 30MHz
Picture : Our PLL, look the mouse for wired remote control.
This circuit is described in the site www.freddospage.nl, where software can be downloaded.
Although PLL SAA1057 to be discontinued, is possible finds it at low prices in the Brazilian market (R$3,50 = US$1,50).
We made the assembly in UGLY method, with small modifications.
Original project (we add 3 capacitors of 100nF):

The sigle modification was the addition of three capacitors of 100nF. This modification was necessary therefore we use a three buttons PC mouse for the place of the switches STEP, UP and DOWN, thus the control was by hand. E due to the length of the mouse cable was necessary to decoupling the RF.
The power supply comes from the Oscillator to be controlled.
Picture : We use flat cable from computer scrap, it does ease the building.
The signal of RF for frequency control, the tension of frequency control for varicaps as well as the power supply had been connected by a single DIN plug. Later we normalize our interconnections with a mini estereo banana (P2) and are necessary two, one for VCC and incoming RF signal another for referency tension for varicap.
Picture: 2nd PLL built, we use standard cupper board and the LCD is direct connected.
Picture: 2nd PLL, showing the board LCD connections.
The greater inconvenient of this PLL there is no offset, it shows the controlled frequency in kHz. Another problem is the 1kHz step size that it does not allow a fine adjustment in CW or digital modes.
The easiness of assembly, the low cost and the performance are excellent.
Picture: Oscillator 11 to 11.5MHz using a ceramic resonator PLL controlled, it works fine dispite the small size. It is used with BITX15 and ARARINHA 21MHz wich has 10MHz IF. The new oscillators have connections with PLL by two banana stereo plug, it is ease to make small size holes in the case box.
73 from py2ohh miguel