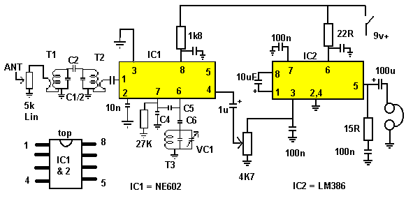
80 or 40m HF Receiver

It is built on a PCB about 2" x 2" and can be made for any one of the 160 - 20 metre HF bands.The inductors used are in the Toko range, available from Cirkit. Capacitors involving the tuned circuit constituing the VFO should be polystyrene, to reduce drift. Suitable tuning capacitor would be a 50pF variable, found regularly at rallies, or may be in your junk box! Instead of using capacitive tuning, a useful modification would be to employ a varicap diode as shown below.

Details of tuned circuits for 80 and 40 metres are shown in the table.

Another useful addition would be a simple audio filter before the LM386 audio amplifier. There are many circuits for these in the QRP literature, including Sprat.

This circuit is ideal as a first receiver project, for the novice and as a club project.

 


 [ About me | Acronyms  | CW | Data Sheets | Docs | Download | E-mail | HOME | Ham projects | Hobby circuits | Photo galery | PIC | QTH photos |
Sign in my guestbook | View my guestbook ]
 


© 2001 - YO5OFH, Csaba Gajdos