Accueil
Remonter

        

  English page  

Réalisation d'un transceiver Zéro-FI S53MV sur 2,3GHz

Principe

Ce projet est à classer dans la catégorie de mes projets "conceptuels" dans le sens ou il représente une expérimentation sur un concept particulier, en l'occurrence une architecture particulière de transceiver : le "zero-FI" et plus exactement en implémentant la méthode de Weaver.

Cette architecture Weaver a été implémentée avec succès par S53MV Matjas Vidmar. Sur son site web il propose les versions pour les bandes 1,2 GHz, 2,3GHz, 5,7GHz, 10GHz et 24 GHz (!). C'est donc la curiosité technique d'expérimenter ce nouveau type de transceiver et aussi l'intérêt pour être QRV sur la bande 13cm qui m'ont conduit à reproduire sa réalisation.

L'autre aspect sympathique est aussi de réaliser un véritable petit transeiver sur cette bande, concept différent de celui consistant à utiliser classiquement un transverter suivi d'un transceiver de type FT-290r ou IC202. Cet aspect "transceiver monobande" pour les bandes THF et hyper est original et plus pratique pour une utilisation en portable. 

Théorie

Les transceivers « zero FI » ou encore "no tune" de S53MV implémentent la méthode dite de Weaver plus quelques autres "astuces" supplémentaires de conception comme l'utilisation de mélangeurs sub-harmoniques.

Avant de rentrer dans les détails, voici le synoptique de principe du Weaver.

 

Par rapport à un récepteur à conversion direct, c'est le traitement des voies I et Q qui changent. Au lieu d'utiliser un déphaseur de 90° le Weaver utilise un rotateur de phase (ou phaseur).

Principe de la chaîne d'émission

Voici la description du fonctionnement :

-         On part d’un signal BF ou bande de base a(t)

-         On forme deux signaux I et Q de la façon suivante : I= a(t)*cos(w0.t) et Q=a(t)*sin(w0.t). De cette façon nous travaillons sur un COUPLE de deux signaux (I,Q). En langage mathématique on appelle cela des signaux complexes ou encore « analytiques ». En écriture mathématique on les écrit I+j.Q. Dans le plan (I,Q) cela revient à faire tourner un vecteur avec un angle w0.t. D’ou le terme de « phaseur » ou « rotateur » pour ce premier étage. Ici w0 = 1365 Hz.

-         La suite du traitement utilise le signal I+jQ. Il faut  «admettre » de travailler avec de telles quantités abstraites et non plus sur un seul signal physique, lui réel. Tout comme un signal réel, un signal complexe possède un spectre. La particularité de ce spectre par rapport au signal réel est qu’il peut ne pas être symétrique par rapport à la fréquence zéro. En fait il est possible de jouer avec les fréquences négatives et positives. Le spectre de notre signal I+jQ est le spectre réel de a(t) décalé de w0. L’opération mathématique réalisée est TF(I+jQ)=TF(a(t).exp(w0.t)=TF(a)( w-w0) avec TF la transformée de Fourier.

 

 -         La bande latérale se retrouve donc repoussée sur une moitié positive ou négative du spectre. Un filtre passe bas de 1,2kHz sur chaque voie I et Q suffit alors à l’éliminer facilement. Un tel filtre est beaucoup plus facile à réaliser en BF (RC et amplis OP) que sur une FI (filtres à quartz) d’ou l’intérêt de la méthode. A l’issu du filtrage une seule bande latérale est conservée, supérieure ou inférieur selon le sens du décalage de fréquence précédent (le sens du phaseur). Notez que le spectre n’est pas symétrique car nous travaillons avec des signaux complexes et non pas réels. C’est l’intérêt de travailler avec une représentation complexe des signaux.

-         Le traitement mathématique suivant consiste à translater notre spectre complexe à bande latérale unique sur w1 = 2320 MHz. Cela revient mathématiquement à faire l’opération (I+j.Q)*exp(j.w1.t) = I’+j.Q’avec w1 = 2320 MHz.

-         Maintenant que nous avons un signal transposé sans image sur 2320Mhz c’est bien mais il est complexe. Comment se ramener à un signal réel ? Et bien en prenant la partie réelle de I’+j.Q’. Réécrivons I’+j.Q’: (I+j.Q)*exp(j.w1.t) = (I+j.Q)*(cos(w1.t)+j.sin(w1.t))=I.cos(w1.t)-Q.sin(w1.t)+j.(I.sin(w1.t) + Q.cos(w1.t)). Nous voyons donc qu’il faut réaliser la fonction matérielle suivante : I.cos-Q.sin pour trouver la composante réelle.

-         Cette fonction se réalise concrètement avec un mélangeur en quadrature. Ce mélangeur est composé de deux mélangeurs drivés en phase, l’un produisant I.cos(w1.t) et l’autre Q.cos(w1.t). Ensuite un coupleur hybride réalise l’addition des deux tensions AVEC un déphasage de 90 degrés sur une voie, d’ou l’utilisation (astucieuse) d’un hybride 90°. On a donc : I.cos(w1.t) + Q.cos(w1.t +pi/2) = I.cos(w1.t) – Q.sin(w1.t). Le tour est joué!

-         L’intérêt en hyper est de pouvoir réaliser facilement ce coupleur hybride. Il faut par contre prendre soin de la symétrie des deux mélangeurs.

 

 

Dans le design S53MV la suppression de l’OL est assurée par la symétrie du mélangeur.

Les mélangeurs utilisés sont de type sub-harmoniques. Cela a pour avantage d’éviter un étage doubleur pour l’OL.

Dans le principe Weaver le signal d’OL arrive avec la même phase sur les deux mélangeurs, ce qui a pour avantage de faciliter la distribution de l’OL. Dans les autres designs il est en général nécessaire de fournir des signaux d’OL en quadrature ce qui est plus difficile à obtenir. Ici la quadrature est réalisée par le coupleur hybride 90° en RF et en bande de base par l’étage rotateur de phase ce qui est plus facile et plus performant que de maintenir en quadrature une voie par rapport à l’autre. Une bonne quadrature de phase est facile à obtenir avec le coupleur hybride 90°. Ce genre de coupleur a une largeur de bande de 10% soit 200MHz à 2320 MHz.

Les étages I et Q de bande de base en réception et en émission sont juste dotés de correcteurs d’amplitude et de phase. Il est beaucoup plus facile de concevoir des étages I et Q en bande de base n’ayant à réaliser que des légères corrections d’amplitude et de phase que des étages devant maintenir avec précision une relation de quadrature constante sur toute la bande de fréquence de la bande de base. Les tolérances sur les composants sont donc significativement relâchées.

 


Sur le figure nous voyons que pour une réjection d’image de 30dB l’erreur d’amplitude (ou la dissymétrie) ne doit pas dépasser 0.5 dB et l’erreur de phase ne doit pas dépasser 4°.

Ces valeurs semblent être l’état de l’art qu’y puisse être atteint avec des moyens amateurs sur les bandes 23 et 13 cm.

Le coupleur hybride peut être ajusté en rajoutant quelques stubs. L’amplitude est facilement corrigée en bande de base. Le rotateur de phase introduit une erreur de phase négligeable si des résistances de bonne précision sont utilisés (au moins 5%).

 

Principe de la chaîne de réception

Il suffit de reprendre le fonctionnement de la chaîne d'émission mais à l'envers!

Le mélangeur RF produit les voies I et Q en bande de base. Un filtre passe bas permet de rejeter les signaux adjacents, c'est lui qui détermine la sélectivité en réception.

Les amplis des voies I et Q en bande de base comportent des corrections sur l'amplitude et la phase afin de régler au mieux la réjection de l'image.

Une CAG est également réalisée.

Enfin le phaseur en réception décale le spectre complexe I,Q et fournit sa valeur réelle, ce qui a pour effet de retrouver un signal audio.

La composante DC est éliminée en sortie I et Q par un découplage capacitif. In fine cela provoque un notch en sortie audio sur la fréquence w0. Ce notch est très étroit et ne perturbe en rien la qualité audio.

Par rapport aux performances d'un design superhétérodyne, les limitations du design S53MV sont:

-   la sélectivité qui est liée à la réponse d'un filtre actif BF. Cette sélectivité est sans doute moins bonne que celle d'un filtre à quartz (cependant sur 2320MHz le besoin de sélectivité n'est pas important car c'est rare que l'on y trouve des brouilleurs sur les fréquences adjacentes ! )

-   la CAG dont la dynamique ne vaut pas celle d'un étage FI. Certains effets de distorsion et de saturations sont parfois audibles sur les signaux forts. Encore une fois sur la bande 2320 MHz n'exige pas les performances d'un récepteur décamétrique loin s'en faut!

-   la dynamique en intermodulation d'ordre 2 est de façon inhérente beaucoup moins bonne avec un design zero-IF qu'avec un design hétérodyne.

- à fort signal, qu'il soit utile ou parasite dans la bande de réception (qui est large ici dans un design no-tune) il se produit un phénomène de détection d'amplitude dans le mélangeur. Le signal produit étant basse fréquence il passe par les étages zero-IF et se traduit directement par un parasite audio

En résumé ce design est difficile pour obtenir les perf nécessaires en bande HF (voir les designs KK7B), mais en hyper, ce qui est notre cas ici, les performances du design sont largement suffisants. Je l'ai constaté au cours des nombreux QSO que j'ai pu réaliser. Je pourrais même dire que la "tonalité" audio est assez particulière mais ne perturbe en rien la compréhensibilité des petits signaux.

Ce récepteur est "qualifié", testé et approuvé par F4BUC!

 

Difficultés du design et soins particuliers

Problème de réinjection de l'OL

En fait ce dernier se situe surtout en réception. Un design zéro IF est sensible à la ré-injection de l’OL en entrée du récepteur ce qui provoque une composante continue en I et Q. Cette composante continue se retrouve en BF par une note CW correspondant à w0.

Heureusement ce problème est contourné de deux façons dans le design S53MV :

-         le mélange sub-harmonique réduisant la fréquence de l’OL par deux, la sensibilité du mélangeur à la ré-injection d’OL est atténuée (par l’effet de filtrage du mélangeur).

-         La composante DC est éliminée en sortie I et Q par un découplage capacitif. In fine cela provoque un notch en sortie audio sur la fréquence w0. Ce notch n’est absolument pas pénalisant sur la qualité du signal audio.

Il faut apporter un soin à blinder le mélangeur et les étages d’amplification RF en amont/aval des étages multiplieurs de l’OL pour éviter :

-         en réception la réinjection de l’harmonique fondamentale (même si l’étage multiplieur produit la sous-harmonique deux, il rayonne quand même un peu des autres harmoniques dont la fondamentale).

-         en émission la réjection de l’OL

Quelques compléments sur l'aspect réjection/injection parasite d'OL:

La réinjection de l'harmonique deux de l'OL (soit 2.3GHz) à l'intérieur du mélangeur est très fortement diminuée par le stub demi-onde (à 2,3GHz) situé entre le splitter d'OL et chacune des deux diodes (voir schéma S53MV). Ce stub agit comme un court-circuit HF à la masse évitant alors efficacement l'accès du 2.3GHz aux diodes. La vulnérabilité provident plutôt de l'harmonique deux rayonnée par les circuits d'OL et qui se couple sur les étages d'ampli RF de la chaîne RX en amont du mélangeur.

Ce résidu provoque un battement nul dans le mélangeur produisant un bruit bf. Ce bruit est en fait la somme de deux bruits démodulés: le bruit d'amplitude de l'OL et le bruit de phase de l'OL. La part de l'un et de l'autre dépend de la phase relative du signal d'OL et du signal parasite réinjecté au niveau des diodes. Les parts relatives des bruits d'amplitude et de phase s'inversent quand cette phase relative est décalée de 90 degrés. En fait en entrée du mélangeur, nous avons un coupleur hybride 90 degrés. De ce fait il existe toujours un décalage relatif de 90 degrés entre les deux diodes. Il en résulte que le bruit sur la voie I est différent du bruit sur la voie Q. Comme le bruit d'amplitude de l'OL a un niveau différent du bruit de phase (en général il est plus faible) il y a un déséquilibre des niveaux de bruit en I et Q. Nous voyons donc que pour éviter ce déséquilibre il n'y a pas d'autre solution que de chercher à diminuer à tout prix le niveau ré-injecté de l'OL en amont du mélangeur.

Ce bruit démodulé parasite dégrade le facteur de bruit du mélangeur et donc de la chaîne globale.

Sensibilité du mélangeur sub-harmonique au niveau de l'OL

Les mélangeurs harmoniques sont très sensibles au niveau de l’OL. Leur perte de conversion (TX) ou facteur de bruit (RX) y sont directement liés. Dans ce design, il semble que le niveau optimal est d’environ 10dBm. Dans ce genre de mélangeur il faut ni trop ni pas assez de niveau d’OL ! Trop d’OL : les diodes sont débloquées trop longtemps en proportion d’un cycle d’OL, pas assez d’OL : les diodes ne sont pas débloquées assez longtemps.

Un soin important doit être apporté à la symétrie du mélangeur. Pour cela il faut utiliser des diodes identiques et si possible possédant un boîtier symétrique.

 

Réalisation et expérience F4BUC

Voici les synoptiques des deux chaînes RX et TX. Quelques composants changent par rapport au design de S53MV, en particulier sur la partie émission (cliquer sur les images pour les agrandir et les rendre plus lisibles).

 

 

La difficulté technique de mise au point a été incontestablement celle de l'isolation entre les étages RF de réception et l'OL du à un découplage insuffisant provoquant une ré-injection d'OL trop importante.

Le manque d'isolation produit les deux phénomènes suivants :

- microphonie avec les vibrations mécaniques de l'ensemble de la mécanique

- effet doppler audible par des objets mouvants à proximité du transceiver et de l'antenne.

Microphonie

Il semblerait qu’une réinjection trop importante de l’OL en réception produise des problèmes de microphonie selon le mécanisme suivant :

-         les vibrations mécaniques du boîtier provoquent une petite modulation d’amplitude du signal d’OL réinjecté

-         le signal d’OL ainsi démodulé (battement nul), on retrouve cette modulation d’amplitude détectée sur les voies I et Q en sortie du mélangeur

-         vu que les fréquences de cette modulation d’amplitude sont des fréquences de résonance de boîtier métallique, on retrouve des composantes de qques centaines de Hz. Le démodulateur I,Q décale ces composantes autour de w0.

-         le démodulateur I,Q élimine la fréquence (effet notch) à w0 mais sur une bande de fréquence très faible et donc cela n’atténue presque pas le signal de microphonie. Il en résulte un son de grésillement aigu assez désagréable.

-         plus le niveau réinjecté par couplage parasite est important, plus l’effet microphonique est marqué.

Il est donc primordial dans ce type de design de réaliser une mécanique à la fois très rigide et de blinder très sérieusement les différents étages. Le problème de blindage devient d'autant plus difficile que les fréquences sont plus élevées car dans ce cas les jonctions mécaniques tendent à fuir plus facilement.

Doppler

La fuite de l'OL rayonné par le transceiver est capté par l'antenne, de même que pour le résidu d'OL conduit par le câble d'antenne et rayonné ensuite par l'antenne elle-même. De ce fait tout obstacle proche réfléchit une petite quantité de l'OL qui se retrouve dans la chaîne de réception puis démodulé comme tout autre signal RX. MAIS, ce signal réfléchit subit un effet doppler induit par la vitesse de l'obstacle proche. Cela génère un battement basse fréquence qui passe le découplage DC en sortie du mélangeur et se retrouve en sortie audio par un "hululement" avec une tonalité de l'ordre de 1,3 kHz (w0) assez désagréable.

En fait nous avons réalisé un radar doppler! L'effet est sensible et un simple mouvement de la main à proximité est audible.

Pour se convaincre de la sensibilité du phénomène, il suffit de comparer la sensibilité du récepteur au niveau de l'OL réinjecté. La sensibilité (le MDS) est de l'ordre de -174 + NF + 10*log10(BW) # -174 + 2 + 10*log10(3000) # -137 dBm. Disons qu'il faut un S/N de 6dB pour rendre le phénomène bien audible, ce qui fait un niveau ré-injecté sur l'antenne de -130 dBm. Le niveau de l'OL sub-harmonique (1160MHz) est de l'ordre de 10dBm sur le mélangeur. Nous en concluons qu'il est nécessaire d'assure une atténuation de 140 dB entre :

- le résidu d'harmonique deux à 2,3 GHz dérivé de l'OL sub-harmonique de 10dBm

- et l'entrée du LNA

Entre les deux signaux, il existe plusieurs chemins de fuite. Ce sont eux qui doivent assurer ces 140dB.

Les chemins de fuite possibles sont les suivants:

bullet

du "rayonné pur":

  1. 1160MHz -> 2300MHz  circuit OL - boitier Schubert
  2. boitier Schubert - coffret du transceiver
  3. coffret du transceiver - réflexion sur obstacle proche
  4. réception su l'antenne - entrée LNA

 

bulletdu "conduit":
  1. 1160MHz -> 2300MHz  circuit OL circuit OL - entrée mélangeur RX
  2. entrée mélangeur RX - entrée du LNA
  3. entrée du LNA - sortie antenne - réflexion sur obstacle proche
  4. réception antenne - entrée LNA

Par expérience sur le mélangeur TX, le résidu d'OL est de l'ordre de -50 dBm. Ainsi pour du conduit cela nous ramène à 90dB pour le reste des chemins de fuite. Une telle isolation n'est pas évidente à obtenir en utilisant une technologie "classique" à l'aide de boîtiers Schubert.

Quand à la valeur du décalage doppler il est donné par : 2*f*v/c avec v la vitesse de l'objet réfléchissant. Si par exemple v = 20 km/h nous avons : 2*2300*106*20*1/3600*1/300000 = +-85 Hz. Ce décalage est suffisant pour "sortir" du notch à w0 et donc être facilement audible.

 

Conclusion

Solutions : blinder, encore blinder et rigidifier la mécanique, absorber les chocs mécaniques.

La maîtrise du blindage CEM est un aspect FONDAMENTAL pour le succès d'un design zero FI. De ce fait la mise au point d'un tel récepteur n'est pas à la portée d'un débutant!

J'ai du pour cela utiliser des joints souples CEM afin de garantir une fuite minimale entre les étages d'OL et les étages de réception. A l'avenir je pense utiliser des boîtiers d'une technologie différente offrants une meilleure efficacité de blindage. En effet les boîtiers Schubert ont trop de fuite à cause de l'espacement inévitable entre le capot et les parois du fait de l'effet de bombage inévitable du capot. Bien sur il est possible de souder le capot aux parois sur toute leur longueurs mais ensuite plus question de dessouder pour accéder à l'intérieur du boîtier!!!  Le mieux, de loin, est d'utiliser des boîtiers usinés avec des capots vissés ou munis de fingerstocks.

 

Stabilisation thermique et mesure de fréquence

Par rapport au design d'origine S53MV, j'ai rajouté les deux fonctions suivantes, fortes utiles:

- stabilisation thermique du Quartz afin de raccourcir très significativement la durée de stabilisation et pour obtenir ensuite une bonne stabilité à long terme. Ceci a été réalisé par un circuit d'asservissement en température. Voir le schéma ci dessous. Le LM335 et le 2N2905A sont en contact thermique très étroit avec le boîtier du quartz. Grâce à cette régulation, la durée du warm-up est < 10 minutes et la stabilité excellente (< 500 Hz / Heure).

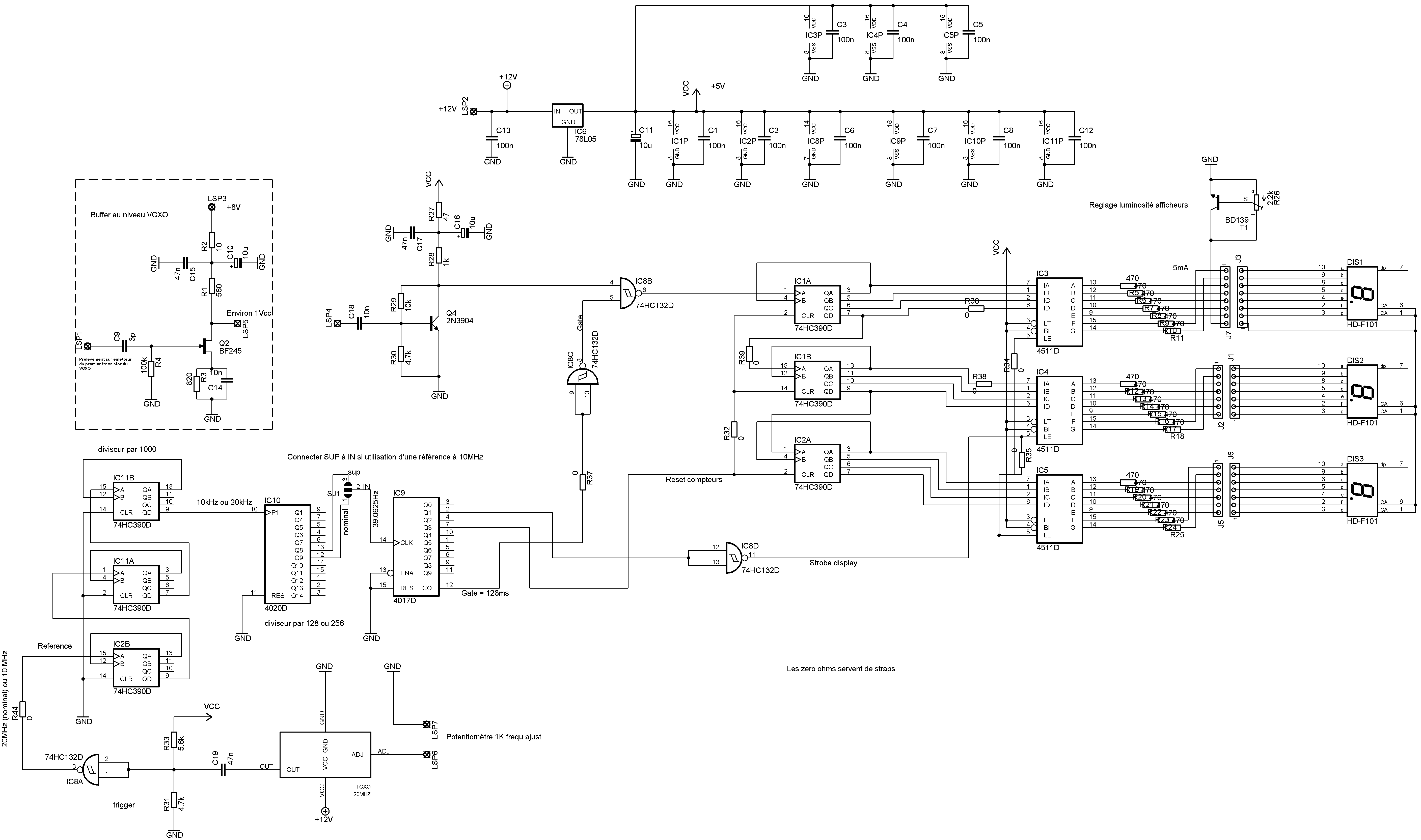
- un fréquencemètre permettant de mesurer la fréquence sur 2,3GHz à partir du de la fréquence de sortie du VCXO à 18MHz. Le principe est fort simple, il s'agit d'un fréquencemètre dont la base de temps de comptage a été ajustée de telle façon que l'affichage renvoi les trois digits en MHz de la fréquence sur 2320MHz. La fréquence de référence est générée par un TCXO 20MHz. Afficher le schéma du fréquencemètre. (Ou faire "enregistrer la cible du lien sous" car l'image est grande). Si la réalisation vous tente vous pouvez me contacter (Cf. rubrique "Contacts").

 

 

Résultats

Émission

 Réjection de la porteuse en sortie de mélangeur : 40dB / puissance max en CW

(Obtenu en cloisonnant soigneusement le boîtier afin d’isoler les étages d’OL et le mélangeur).

 Réjection de l’image parasite : environ 20dB.

Doit pouvoir être améliorée.

 Réception

 Réjection de l’image parasite : environ 30dB

Sur un ton. Environ 30dB min

 

Spectre cumulé. On voit l’homogénéité de la réjection. En moyenne 30dB.

 

 Avec calibration on a bien 30dB. Excellent résultat ! Pour comparaison, avec un récepteur à conversion direct classique de type R2 en bande HF (design KK7B) le max atteignable est de l'ordre de 40dB.

Images

Partie zero FI

D'un peu plus pret

Vue de dessus. Le papier alu sert à améliorer le blindage interne

Le fréquencemètre numérique

Vue de la face avant

Ce transceiver me sert maintenant depuis quelques temps pour trafiquer sur la bande 13cm. Je suis très satisfait. La satisfaction de la performance technique et la satisfaction liée au plaisir de la réalisation personnelle sont deux facteurs motivants très importants.

Références

Pour la description complète, se reporter à la page web de Matiaz Vidmar S53MV.

 

Accueil | Station QO100 | Balise F1ZXK | Transverter 24GHz | Transverter 10GHz | S53MV | PA MRF286 | Parabole géodésique | Transceiver 

La dernière mise à jour de ce site date du mardi 15 décembre 2015