Transverter 24 GHz
Voici un rapide descriptif de ma station 24GHz. Plus de
détails à venir.
Synoptique

Quelques schémas :
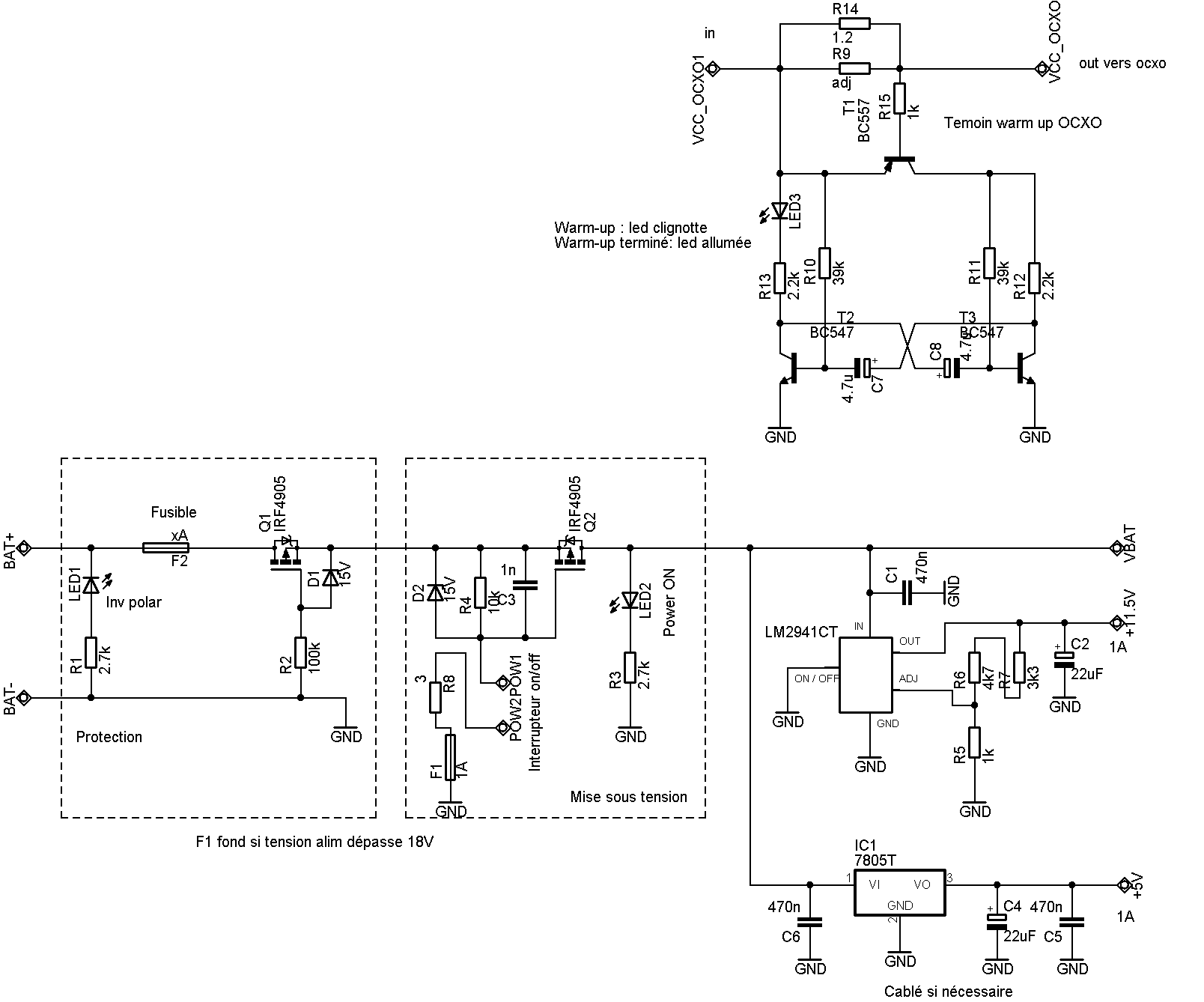
alimentation
séquenceur
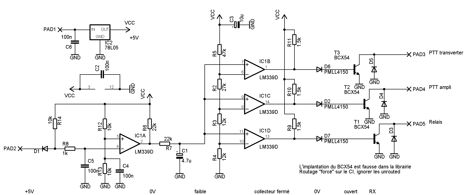
servitude et gestion
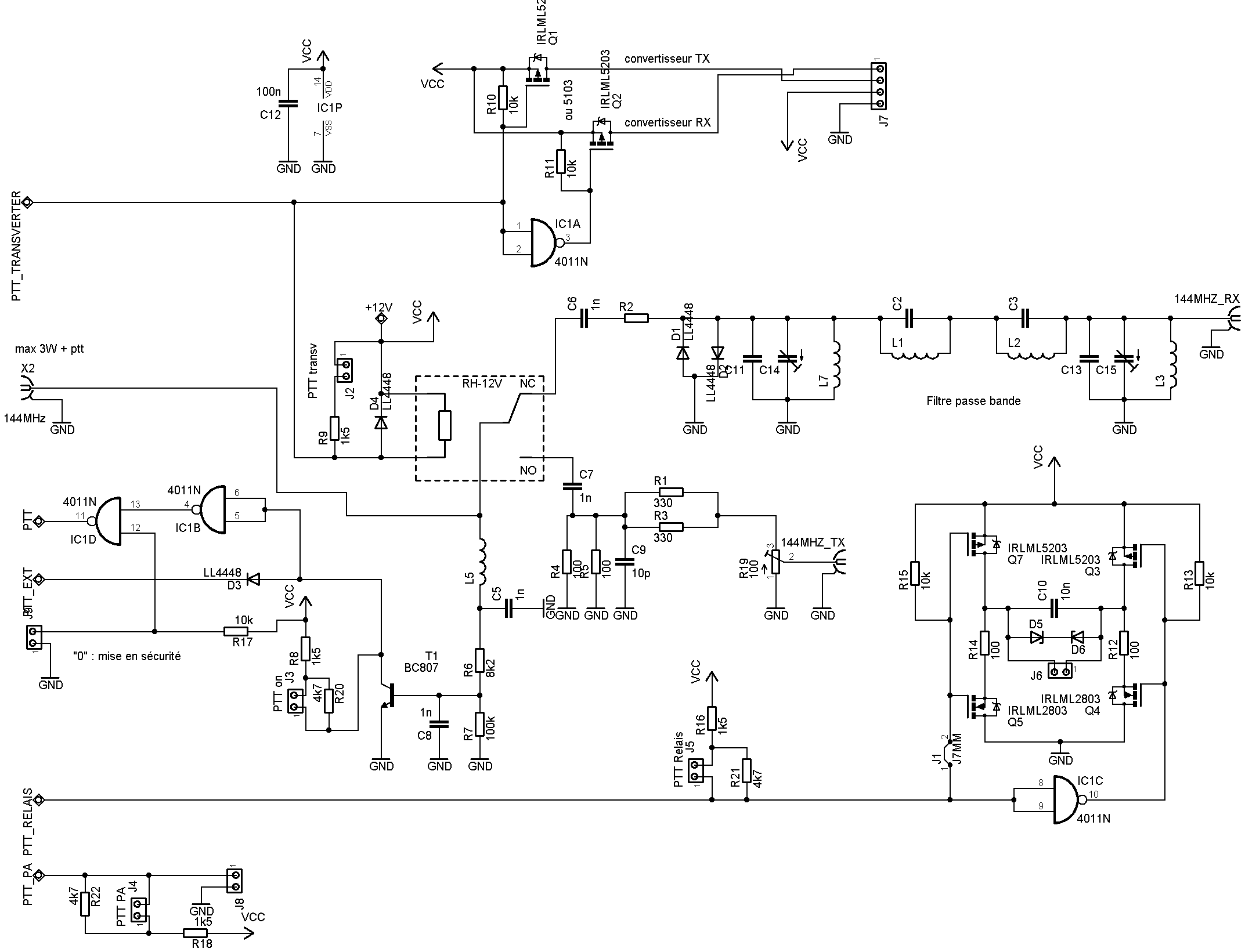
144MHz
Interconnexion des
modules
Photos
|
|
|
|
|
|
|
|
|
|
|
|
|
Zoom sur l'ampli 24GHz RX à trois étages |
|
|
|
|
|
|
|
|
|
|
Accueil | Station QO100 | Balise F1ZXK | Transverter 24GHz | Transverter 10GHz | S53MV | PA MRF286 | Parabole géodésique | Transceiver
La dernière mise à jour de ce site date du
mardi 15 décembre 2015